(!)Internet Explorer 11は、2022年6月15日マイクロソフトのサポート終了にともない、当サイトでは推奨環境の対象外とさせていただきます。
ねじ・ボルト・ナット・ワッシャ・カラー
六角穴付きボルト
脱落防止ねじ
貫通穴付ボルト
六角ボルト
小ねじ
止めねじ
座金組込みねじ
蝶ボルト・つまみねじ・化粧ビス
ストリッパ・リーマ・ショルダーボルト
でんでんボルト
アイボルト
樹脂ねじ・セラミックねじ
全ねじ・スタッドボルト
いたずら防止ねじ
配管Uボルト
ユニファイねじ・インチねじ・ウィットねじ
マイクロねじ・微細ねじ
タッピングねじ・タップタイト・ハイテクねじ
ドリルねじ
四角ボルト・丸ボルト
ねじ用アクセサリー・カバーキャップ
座金(ねじ用ワッシャ)
ナット
アンカーボルト
リベット・鋲
インサート
建材用スクリュー
ねじ用工具類
ワッシャ・カラー
シム
スナップピン・割りピン
マシンキー
止め輪・リング
スクリュープラグ
アジャスタ
ノックピン・段付ピン・スプリングピン
素材(金属・樹脂・ゴム・スポンジ・ガラス)
切削工具
エンドミル
フライスチップ・ホルダー
ヘッド交換式工具
自由指定直刃エンドミル
専用カッター
旋削チップ
旋削ホルダ
完成バイト・ロウ付けバイト
ローレット
ドリル
ドリル関連部品・用品
タップ
タップ関連部品・用品
ダイス
ダイス関連部品・用品
ねじ山修正・除去工具
タップ・ダイスセット
ねじ切りカッター
リーマ
面取りカッター
面取りカッター関連部品・用品
切削工具関連備品
ホールソー・コアドリル・クリンキーカッター
ホールソー・コアドリル・クリンキーカッター関連部品
磁気ボール盤カッター
ボーリングシステム
ツーリングホルダ・ツーリングチャック
アングルヘッド
コレット
スリーブ・ソケット(ツーリング)
アーバ
ツーリング関連部品・用品
加工物基準位置測定器
芯出しバー
刃先位置測定器
ツールプリセッター
テストバー
プリセッター・芯出し・位置測定工具関連部品・用品
クーラントライナー・クーラントシステム
エアージェット・エアークーラー
クーラント関連部品・用品
円テーブル・ロータリーテーブル
測定工具・計測機器
ノギス
pH計・導電率計
ノギス関連アクセサリ
マイクロメーター
検知管
ダイヤルゲージ
ダイヤルゲージ関連部品・用品
ピンゲージ
ピンゲージ関連部品・用品
ハイトゲージ
流量計
ハイトゲージ関連部品・用品
リングゲージ
デプスゲージ
シックネスゲージ・すきまゲージ
内径測定器
ゲージ
スコヤ
定規
コンベックス
巻尺
はかり
角度計
光学機器
水平器
レーザー測定器
マグネット関連
定盤
数取器・カウンタ
ガス測定器・検知器
ケガキ用品
ストップウォッチ・タイマー
テンションゲージ
環境測定器
温度計・湿度計
圧力計
顕微鏡
天秤・天秤関連品
分銅
硬度計
振動計・回転計
水質・水分測定器
粘度計
膜厚計・探知器
偏心測定器
表面粗さ測定器
音検出器
測定データ機器
アースメータ(接地抵抗計)
テスタ・マルチメータ
オシロスコープ
クランプメータ
検相器・検電器・導通チェッカ
絶縁抵抗計
ネットワークテスタ・ケーブルテスタ・光ファイバ計測器
安全試験器
回路素子測定器
信号源・ファンクションジェネレータ
電源装置
高周波測定器(RF測定器)
計測機器関連品
電圧計・電流計
電力計
その他電気計測器
手作業工具
スパナ・めがねレンチ・ラチェットレンチ
六角棒レンチ
モンキーレンチ
トルクスレンチ
ソケットレンチ
トルクレンチ
トルクレンチ関連部品・用品
トルク測定器
ドライバー
ドライバー関連部品・用品
トルクドライバー
トルクドライバー関連部品・用品
プライヤー
プライヤー関連部品
ニッパー
ニッパー関連部品
ペンチ
ペンチ関連部品
ハンマー
工具セット・ツールセット
工具セット・ツールセット関連部品・用品
カッターナイフ
タガネ
ドライバービット
ドライバービット関連用品
プーラ
刻印・ポンチ
車輌整備用工具
水道・空調配管用工具
切断用工具
絶縁工具
板金用工具
防爆工具
かしめ工具
電設工具
バール・テコ
ソケットビット
ソケットアダプター
ピンセット
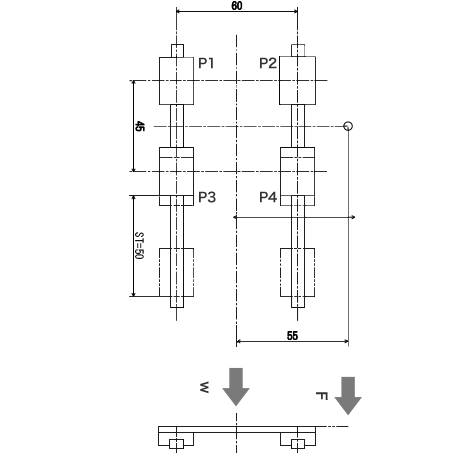
A : この条件から、各ブロックにかかるモーメントを算出(だいたいで構いません)。
P1とP3にかかるMC=(55+30)*5*9.8/4=1041[N・mm]=1.04[N・m]
P2とP4にかかるMC=(55-30)*5*9.8/4=306[N・mm]=0.3[N・m]
B : また、これらの静荷重(C)も算出(だいたいで構いません)。
C=(20+5)*9.8/4=61[N]=0.06[kN]

A、Bの最大値から、これに合うリニアガイドを選定(右表参照)
→C-SE2B8-130を選定
基本動定格荷重C=0.9[kN]、基本静定格荷重C0=1.5[kN]

lgf=N×0.101972
| H | 基本定格荷重 | 静的許容モーメント | 質量 | ||||
|---|---|---|---|---|---|---|---|
| C(動) KN |
Co(静) KN |
MA N・m |
MB N・m |
MC N・m |
ブロック kg |
ガイドレール kg/m |
|
| 8 | 0.9 | 1.5 | 4.1 | 4.1 | 5.2 | 0.01 | 0.19 |
| 10 | 1.5 | 2.5 | 5.1 | 5.1 | 10.2 | 0.02 | 0.31 |
| 13 | 2.2 | 3.3 | 8.8 | 9.5 | 16.1 | 0.04 | 0.61 |
| 16 | 3.6 | 5.4 | 21.6 | 23.4 | 39.6 | 0.06 | 1.02 |

P1、P3=W*g/4+F*g/4-(F*g*L2)/(2*L0)
=20*9.8/4+5*9.8/4-(5*9.8*55)/(2*60)
=38.8[N]=0.039[kN]
P2、P4=W*g/4+F*g/4+(F*g*L2)/(2*L0)
=20*9.8/4+5*9.8/4+(5*9.8*55)/(2*60)
=83.7[N]=0.084[kN]
fs≦C0/Pmax より (Pmaxは負荷荷重の最大値)
fs≦1.5/0.084=17.9
右表の数値と比較(今回は普通の運転条件)し、1~2 ≦17.9となり、十分に余裕があるので問題ない。
| 使用条件 | fsの下限 |
|---|---|
| 普通の運転条件のとき | 1~2 |
| 円滑な走行性能を要求するとき | 2~4 |
| 振動・衝撃があるとき | 3~5 |

L=((1*1*1/1.5)*(0.9/0.084))3*50
=18223[km]・・・寿命までの走行距離 ←選定条件と比較
Lh=(L*106)/(2*ST*n1*60)
=(18223*106)/(2*50*30*60)
=101238[h]・・・寿命までの時間 ←選定条件と比較
となり、十分に余裕があるので問題ない。
![]()
![]()
精度と等級は、以下のように分類されます。

この精度の違いにより、走り平行度や高さ・幅のペア相互差の許容範囲も変わってくるので、装置やコストに見合ったものを選択する必要があります。
精度が高いほど、ブロックに載せるテーブルなどの平面度が高くワークの定位置への設置が可能であったり、またブロック高さの違いによる各ブロックにかかる荷重の差が小さくなり、リニアガイドの寿命も長くなります。
![]()
| 精度等級 | |||
|---|---|---|---|
| 機種名 | 精密級 | 上級 | 並級 |
| マシニングセンタ | ○ | ||
| NC旋盤 | ○ | ||
| プリント基板穴明機 | ○ | ○ | |
| 精密XYテーブル | ○ | ○ | |
| 搬送装置 | ○ | ○ | |
![]()
予圧は、走り精度や耐荷重性能、剛性などに大きく影響するので、用途に応じた適切な予圧選定が大切です。一般的には予圧タイプを選定することが、寿命や精度に好影響をもたらします。予圧タイプを以下に紹介します。
![]()
| 予圧 | |||
|---|---|---|---|
| 機種名 | 中予圧 | 軽予圧 | 普通すきま |
| マシニングセンタ | ○ | ||
| NC旋盤 | ○ | ||
| プリント基板穴明機 | ○ | ||
| 精密XYテーブル | ○ | ||
| 搬送装置 | ○ | ||

上記のように、なるべくコストを上げないようにすると精度が低く、また高精度のものであると高価になってしまいます。精度と等級および予圧の説明ページに記載の、機器に対しての目安一覧表や各メーカーのカタログなどを参考に選定してください。なお走り平行度などは、目標値の30~50%程度を目安に選定するとより安全な設計ができます。
(例:目標値10μmであれば、3~5μmのものを選定する。)
■各メーカーでは、用途に応じたグリースを用意しています。(下表参照)
| メーカー | グリースの種類 | 特徴 |
|---|---|---|
| ミスミ | 標準 | - |
| Lタイプ | 耐熱・酸化安定性・付着・粘着力に優れ、飛散・漏洩が少ない | |
| Gタイプ | クリーンルーム内で使用するリニアガイド専用 | |
| THK | 高速運動用 | 高速運動時の発熱を抑え、潤滑性に優れる |
| 真空用 | グリース中の油分の飛散を防ぐ、蒸気圧の低いフッ素系オイルを基油としている | |
| クリーンルーム用 | 低発塵特性に非常に優れている | |
| 微動用 | 油膜強度、耐摩耗性に優れる | |
| 高温用・低温用 | 温度変化時のグリースによる転がり抵抗の変動が少ない |
特に特殊環境下でのリニアガイド使用時は、通常のグリースを使用できない可能性のありますので、選定時にはメーカーにお問い合わせください。