(!)Internet Explorer 11は、2022年6月15日マイクロソフトのサポート終了にともない、当サイトでは推奨環境の対象外とさせていただきます。
ねじ・ボルト・ナット・ワッシャ・カラー
六角穴付きボルト
脱落防止ねじ
貫通穴付ボルト
六角ボルト
小ねじ
止めねじ
座金組込みねじ
蝶ボルト・つまみねじ・化粧ビス
ストリッパ・リーマ・ショルダーボルト
でんでんボルト
アイボルト
樹脂ねじ・セラミックねじ
全ねじ・スタッドボルト
いたずら防止ねじ
配管Uボルト
ユニファイねじ・インチねじ・ウィットねじ
マイクロねじ・微細ねじ
タッピングねじ・タップタイト・ハイテクねじ
ドリルねじ
四角ボルト・丸ボルト
ねじ用アクセサリー・カバーキャップ
座金(ねじ用ワッシャ)
ナット
アンカーボルト
リベット・鋲
インサート
建材用スクリュー
ねじ用工具類
ワッシャ・カラー
シム
スナップピン・割りピン
マシンキー
止め輪・リング
スクリュープラグ
アジャスタ
ノックピン・段付ピン・スプリングピン
素材(金属・樹脂・ゴム・スポンジ・ガラス)
切削工具
エンドミル
フライスチップ・ホルダー
ヘッド交換式工具
自由指定直刃エンドミル
専用カッター
旋削チップ
旋削ホルダ
完成バイト・ロウ付けバイト
ローレット
ドリル
ドリル関連部品・用品
タップ
タップ関連部品・用品
ダイス
ダイス関連部品・用品
ねじ山修正・除去工具
タップ・ダイスセット
ねじ切りカッター
リーマ
面取りカッター
面取りカッター関連部品・用品
切削工具関連備品
ホールソー・コアドリル・クリンキーカッター
ホールソー・コアドリル・クリンキーカッター関連部品
磁気ボール盤カッター
ボーリングシステム
ツーリングホルダ・ツーリングチャック
アングルヘッド
コレット
スリーブ・ソケット(ツーリング)
アーバ
ツーリング関連部品・用品
加工物基準位置測定器
芯出しバー
刃先位置測定器
ツールプリセッター
テストバー
プリセッター・芯出し・位置測定工具関連部品・用品
クーラントライナー・クーラントシステム
エアージェット・エアークーラー
クーラント関連部品・用品
円テーブル・ロータリーテーブル
測定工具・計測機器
ノギス
pH計・導電率計
ノギス関連アクセサリ
マイクロメーター
検知管
ダイヤルゲージ
ダイヤルゲージ関連部品・用品
ピンゲージ
ピンゲージ関連部品・用品
ハイトゲージ
流量計
ハイトゲージ関連部品・用品
リングゲージ
デプスゲージ
シックネスゲージ・すきまゲージ
内径測定器
ゲージ
スコヤ
定規
コンベックス
巻尺
はかり
角度計
光学機器
水平器
レーザー測定器
マグネット関連
定盤
数取器・カウンタ
ガス測定器・検知器
ケガキ用品
ストップウォッチ・タイマー
テンションゲージ
環境測定器
温度計・湿度計
圧力計
顕微鏡
天秤・天秤関連品
分銅
硬度計
振動計・回転計
水質・水分測定器
粘度計
膜厚計・探知器
偏心測定器
表面粗さ測定器
音検出器
測定データ機器
アースメータ(接地抵抗計)
テスタ・マルチメータ
オシロスコープ
クランプメータ
検相器・検電器・導通チェッカ
絶縁抵抗計
ネットワークテスタ・ケーブルテスタ・光ファイバ計測器
安全試験器
回路素子測定器
信号源・ファンクションジェネレータ
電源装置
高周波測定器(RF測定器)
計測機器関連品
電圧計・電流計
電力計
その他電気計測器
手作業工具
スパナ・めがねレンチ・ラチェットレンチ
六角棒レンチ
モンキーレンチ
トルクスレンチ
ソケットレンチ
トルクレンチ
トルクレンチ関連部品・用品
トルク測定器
ドライバー
ドライバー関連部品・用品
トルクドライバー
トルクドライバー関連部品・用品
プライヤー
プライヤー関連部品
ニッパー
ニッパー関連部品
ペンチ
ペンチ関連部品
ハンマー
工具セット・ツールセット
工具セット・ツールセット関連部品・用品
カッターナイフ
タガネ
ドライバービット
ドライバービット関連用品
プーラ
刻印・ポンチ
車輌整備用工具
水道・空調配管用工具
切断用工具
絶縁工具
板金用工具
防爆工具
かしめ工具
電設工具
バール・テコ
ソケットビット
ソケットアダプター
ピンセット
アルミフレームにパネル・カバーを取り付ける場合に必要な部品の紹介をします。アルミフレームで扉や装置のカバーを作ることができます。

さまざまな材質とその多彩なグレード品から選べます。
mm単位の寸法指定で、1個からご注文可能。
6種類の仕上げ加工 (材質により、対応できかねる加工方法もございます)
作業装置のカバーとして使用されます。
■パネル材質種類
ミスミご利用のメリット
13種類の材質とその多彩なグレード品から選べます
mm単位の寸法指定で、1個からご注文可能
6種類の仕上げ加工 (材質により、対応できかねる加工方法もございます)
パネルのサイズを決める上で、接続方法ごとにパネルクリアランスを考慮する必要があります。
取り付け箇所の寸法とまったく同じ寸法でパネルを設計してしまうと、温度の変化等によってパネルのサイズが変化してしまい、
フレームや締結部材と干渉してしまう可能性があります。そこで、フレームとの間に適切な隙間(クリアランス)を作ることが必要となります。
アルミフレームへの取り付け方によって、パネルクリアランスが異なります。
取り付け方法によるパネルクリアランスおよび、パネルサイズ計算方法詳細はこちら

安全柵などに使用されています。
以下種類のご用意があります。
上下左右とも1mm隙間をとるサイズのフェンスネットをいれています。
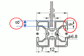
例えば、6シリーズの場合は上下左右の溝深さ9mmのうち8mm入れる計算です。

フレームの溝にフェンスネットを組み込む際、フェンスネットの溶接している四面をカットして組み込みます。
例えばHFFS8-4040の安全柵は3.6mmの厚さまでのパネル・ネットが入ります。
FENP30は交差する2本のワイヤーが溶接されている箇所は6.4mm厚さになります。
そのため、溶接されている箇所はHFFS8-4040のフレームには入りません。
HFFS8-4040の安全柵にFENP30を入れる場合は、溶接されている箇所をカットする必要があります。


パネルを補強したい場合に使用します。
中間に穴を増やしパネルサポートブラケットを取り付けて補強することが可能です。
パネルサポートブラケットはタップ穴加工済みです。
■パネルサポートブラケット種類

| 製品名 | パネルサポートブラケット | パネルクランプ ブラケット |
|||
|---|---|---|---|---|---|
| 樹脂タイプ | アルミタイプ | 長さ指定 アルミロングタイプ |
スチール ステンレスタイプ |
||
| 画像 | ![]() |
![]() |
![]() |
![]() |
![]() |
| 使用例 | ![]() |
![]() |
![]() |
![]() |
![]() |
| 説明 | T型止め部をフレームの溝に入れ90度回すだけで手軽に取り付けできます。パネルの厚さ3mm・5mmの両方に対応します。 |
ボルト・ナットを使ってフレームに固定をするアルミタイプのパネルサポートブラケットです。 |
フレームとパネルの間の隙間をうめることができます。補強の用途にもご使用いただけます。 |
スチール・ステンレスタイプのパネルサポートブラケットです。 |
T型止め部をフレームの溝に入れ90度回すだけで手軽に取り付けできます。パネルの厚さ3mm・5mmの両方に対応します。パネルに穴加工不要。 |

パネルを取り付ける際にフレーム溝に挿入して使用します。
ジョイントブラケット接続にのみ対応しています。
■製品種類
| パネルクランプ | エコノミーパネルクランプ | 後入れパネルホールド・クランプ(セットで使用) | 溝カバー樹脂ソフト | |
|---|---|---|---|---|
| パネルホールド | クランプ | |||
![]() |
![]() |
![]() |
![]() |
![]() |
| EPDMゴム、 オレフィン系エラストマー |
PVCポリ塩化ビニル | アルミ | EPDMゴム | ポリエチレン |
パネルクランプ

・パネルクランプはカッターで
切断できます。
後入れパネルホールド



・フレーム組み立て後にパネルを取り付けできます。
・フレームをばらさずにパネル交換が可能です。
長さ:①フレーム内側縦ー1mm、②フレーム内側横ー17mm(コーナー部45度カットをする場合はー1mm)
厚さ:フレームの溝幅からパネルの厚さを引いた厚みのパネルクランプをご選定ください。以下図を参照。
追加工:コーナー部分45度カット(ご自身でハサミ等でカットいただくことも可能です。)

■アルミフレームとパネルの厚さより、パネルクランプの型番を選定する
| シリーズ | 溝幅 | パネルの厚さ | |
|---|---|---|---|
| 3mm | 5mm | ||
| 5 | 6mm | ||
| 6 | 8mm | ||
| 8 | 10mm | ||
| 8-45 | 10mm | ||
| 代表型番 | 色 | 材質 | 耐熱温度(℃) |
|---|---|---|---|
| HSCP3H | 黒 | EDPMゴム | -40~+120 |
| HSCPF3H | ライトグレー | オレフィン系エストラマー | -20~+80 |
| NSCP3H | ライトグレー | PVC ポリ塩化ビニル | -25~+80 |
パネルクランプの代わりに後入れパネルホールドとパネルホールド用クランプをご使用いただくと、
フレーム組み立て後にパネルを取り付けることができます。

■使用ジョイント別寸法表

溝カバー樹脂ソフトは反対側にして溝内部に挿入することによりプレート・パネルを入れることができます。
