(!)Internet Explorer 11は、2022年6月15日マイクロソフトのサポート終了にともない、当サイトでは推奨環境の対象外とさせていただきます。
ねじ・ボルト・ナット・ワッシャ・カラー
六角穴付きボルト
脱落防止ねじ
貫通穴付ボルト
六角ボルト
小ねじ
止めねじ
座金組込みねじ
蝶ボルト・つまみねじ・化粧ビス
ストリッパ・リーマ・ショルダーボルト
でんでんボルト
アイボルト
樹脂ねじ・セラミックねじ
全ねじ・スタッドボルト
いたずら防止ねじ
配管Uボルト
ユニファイねじ・インチねじ・ウィットねじ
マイクロねじ・微細ねじ
タッピングねじ・タップタイト・ハイテクねじ
ドリルねじ
四角ボルト・丸ボルト
ねじ用アクセサリー・カバーキャップ
座金(ねじ用ワッシャ)
ナット
アンカーボルト
リベット・鋲
インサート
建材用スクリュー
ねじ用工具類
ワッシャ・カラー
シム
スナップピン・割りピン
マシンキー
止め輪・リング
スクリュープラグ
アジャスタ
ノックピン・段付ピン・スプリングピン
素材(金属・樹脂・ゴム・スポンジ・ガラス)
切削工具
エンドミル
フライスチップ・ホルダー
ヘッド交換式工具
自由指定直刃エンドミル
専用カッター
旋削チップ
旋削ホルダ
完成バイト・ロウ付けバイト
ローレット
ドリル
ドリル関連部品・用品
タップ
タップ関連部品・用品
ダイス
ダイス関連部品・用品
ねじ山修正・除去工具
タップ・ダイスセット
ねじ切りカッター
リーマ
面取りカッター
面取りカッター関連部品・用品
切削工具関連備品
ホールソー・コアドリル・クリンキーカッター
ホールソー・コアドリル・クリンキーカッター関連部品
磁気ボール盤カッター
ボーリングシステム
ツーリングホルダ・ツーリングチャック
アングルヘッド
コレット
スリーブ・ソケット(ツーリング)
アーバ
ツーリング関連部品・用品
加工物基準位置測定器
芯出しバー
刃先位置測定器
ツールプリセッター
テストバー
プリセッター・芯出し・位置測定工具関連部品・用品
クーラントライナー・クーラントシステム
エアージェット・エアークーラー
クーラント関連部品・用品
円テーブル・ロータリーテーブル
測定工具・計測機器
ノギス
pH計・導電率計
ノギス関連アクセサリ
マイクロメーター
検知管
ダイヤルゲージ
ダイヤルゲージ関連部品・用品
ピンゲージ
ピンゲージ関連部品・用品
ハイトゲージ
流量計
ハイトゲージ関連部品・用品
リングゲージ
デプスゲージ
シックネスゲージ・すきまゲージ
内径測定器
ゲージ
スコヤ
定規
コンベックス
巻尺
はかり
角度計
光学機器
水平器
レーザー測定器
マグネット関連
定盤
数取器・カウンタ
ガス測定器・検知器
ケガキ用品
ストップウォッチ・タイマー
テンションゲージ
環境測定器
温度計・湿度計
圧力計
顕微鏡
天秤・天秤関連品
分銅
硬度計
振動計・回転計
水質・水分測定器
粘度計
膜厚計・探知器
偏心測定器
表面粗さ測定器
音検出器
測定データ機器
アースメータ(接地抵抗計)
テスタ・マルチメータ
オシロスコープ
クランプメータ
検相器・検電器・導通チェッカ
絶縁抵抗計
ネットワークテスタ・ケーブルテスタ・光ファイバ計測器
安全試験器
回路素子測定器
信号源・ファンクションジェネレータ
電源装置
高周波測定器(RF測定器)
計測機器関連品
電圧計・電流計
電力計
その他電気計測器
手作業工具
スパナ・めがねレンチ・ラチェットレンチ
六角棒レンチ
モンキーレンチ
トルクスレンチ
ソケットレンチ
トルクレンチ
トルクレンチ関連部品・用品
トルク測定器
ドライバー
ドライバー関連部品・用品
トルクドライバー
トルクドライバー関連部品・用品
プライヤー
プライヤー関連部品
ニッパー
ニッパー関連部品
ペンチ
ペンチ関連部品
ハンマー
工具セット・ツールセット
工具セット・ツールセット関連部品・用品
カッターナイフ
タガネ
ドライバービット
ドライバービット関連用品
プーラ
刻印・ポンチ
車輌整備用工具
水道・空調配管用工具
切断用工具
絶縁工具
板金用工具
防爆工具
かしめ工具
電設工具
バール・テコ
ソケットビット
ソケットアダプター
ピンセット
フェンスネット接続方法をご紹介します。フェンスネットのサイズ計算方法や部品選定方法がわかります。安全柵を作ることができます。
フェンスネットの接続方法は、①直接接続(安全柵フレーム・フェンスフレーム)、②溝カバー接続(アルミフレーム)、③パネルクランプ接続(アルミフレーム)があります。
安全柵フレーム・フェンスフレームにフェンスネットを挿入する場合の方法です。
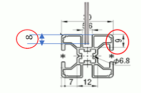
フレームの溝から上下左右とも1mm隙間をとるサイズのフェンスネットをいれています。
例えば、30角安全柵フレームの場合は上下左右の溝深さ9mmのうち8mm入れる計算です。
| 30角安全柵フレーム | 40角安全柵フレーム |
|---|---|
| 9mm | 12mm |
| HFSFES30-3 | HFSFES30-5 | HFSFES40-3 | HFSFES40-5 |
|---|---|---|---|
| 10.5mm | 15mm | ||

| 商品名 | 型番 |
|---|---|
| フェンスフレーム | HFSFES40-5-200 |
| フェンスネット | NETSU3-30 |
| ジョイントブラケット | HFSJD40-5 |
アルミフレーム(NFSL6-3030)の溝にフェンスネット(NETSU3-30-A[100-1000/1]-B[100-1000/1])を入れる場合
溝カバー(HSCA6-Y)をひっくり返してアルミフレームの溝にはめ、フェンスネットを入れ込みます。

| 商品名 | 型番 |
|---|---|
| アルミフレーム | HFS6-3030-200 |
| 溝カバー樹脂/樹脂ソフト | HSCA6-Y |
| フェンスネット | NETSU3-30 |
| ブラインドブラケット | HBLBCA6 |
アルミフレーム(HFS8-4040)の溝にフェンスネット(NETSU3-30)を入れる場合
8シリーズは溝幅10mmなので、フェンスネットを溝に入れ、パネルクランプのHSCPF7Hを溝に入れて押さえます。

| 商品名 | 型番 |
|---|---|
| アルミフレーム | HFS8-4040-200-LCH-RCH |
| アルミフレーム | HFS8-4040-200-LDH-RDH |
| フェンスネット | NETSU3-30 |
| パネルクランプ | HSCPF7H-B-[100-3000/1] |
| ブラインドジョイント | HSJNS8 |
フェンスネットの網のクロスされた部分がフレーム取り付け部に来る場合と来ない場合でパネルクランプの厚みを変える必要があります。
| 網の型番 | NETSU2.5-30 | NETSU3-30 | FENP FENM |
|
|---|---|---|---|---|
| 溝に入れる網の線径 | Φ2.5mm | Φ3.0mm | Φ3.2mm | |
| シリーズ | 溝幅 | 対応パネルクランプ型番 | ||
| 5 | 6mm | |||
| 6 | 8mm | |||
| 8 | 10mm | |||
| 8-45 | 10mm | |||
| 網の型番 | NETSU2.5-30 | NETSU3-30 | FENP FENM |
|
|---|---|---|---|---|
| 溝に入れる網の線径 | 4.8mm | 5.8mm | 6.4mm | |
| シリーズ | 溝幅 | 対応パネルクランプ型番 | ||
| 5 | 6mm | 溝幅6mmでパネルクランプ不要 | - | |
| 6 | 8mm | - | ||
| 8 | 10mm | - | ||
| 8-45 | 10mm | - | ||
| 商品名 | 代表型番 | 材質 | 耐熱温度(℃) |
|---|---|---|---|
| パネルクランプ | HSCP3H | EDPMゴム | -40~+120 |
| HSCPF3H | オレフィン系エストラマー | -20~+80 | |
| エコノミーパネルクランプ | NSCP3H | PVC ポリ塩化ビニル | -25~+80 |
上下左右とも1mm隙間をとるサイズのフェンスネットをいれています。
例えば、6シリーズの場合は上下左右の溝深さ9mmのうち8mm入れる計算です。

フレームの溝にフェンスネットを組み込む際、フェンスネットの溶接している四面をカットして組み込みます。
例えばHFFS8-4040の安全柵は3.6mmの厚さまでのパネル・ネットが入ります。
FENP30は交差する2本のワイヤーが溶接されている箇所は6.4mm厚さになります。
そのため、溶接されている箇所はHFFS8-4040のフレームには入りません。
HFFS8-4040の安全柵にFENP30を入れる場合は、溶接されている箇所をカットする必要があります。
